
CR2032/1HSE
型号:CR2032/1HSE
品牌:
电压(V):
容量(mAh):
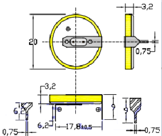
尺寸(mm):
材质:
适配产品:
工作温度范围:
产品介绍
焊片电镀工艺说明
焊脚电池的PIN脚均为镀镍不锈钢材料。不锈钢本身是不能够沾锡的,镀镍的作用就是为了用锡把电池PIN脚焊在线路板上。而由于镀镍是采用滚镀的工艺,因为电池焊片在电镀时会造成重叠,所以偶尔会造成一定比例的电池焊片无法完全被电镀,也会造成焊片在电镀的过程中出现弯折的现象。以下为此两种工艺的对比。
| 镀镍焊片(PIN脚) | 局部镀锡焊片(PIN脚) |
![]() | ![]() |
| 滚镀镀镍 | 局部镀锡 |
| 有一定比例焊片无法进行焊锡操作 | 可以确保所有的焊片100%易于焊接 |
焊接时间较长,需要严格的时间控制,不规范操作可能会造成电池伤害 | 焊接时间较短,极易进行焊接 |
有一定比例的焊片在滚镍的过程中, 容易变形,弯折 | 焊片不用经过滚镀,所以不会产生变形,弯折 |





